Orta Gerilim Kesici Kurma Motorları
Circuit Breaker Mechanism Motors
| Görsel | Title | Açıklama | Dokümanlar | ||||||||||||||||||||||||||||||||||||
|---|---|---|---|---|---|---|---|---|---|---|---|---|---|---|---|---|---|---|---|---|---|---|---|---|---|---|---|---|---|---|---|---|---|---|---|---|---|---|---|
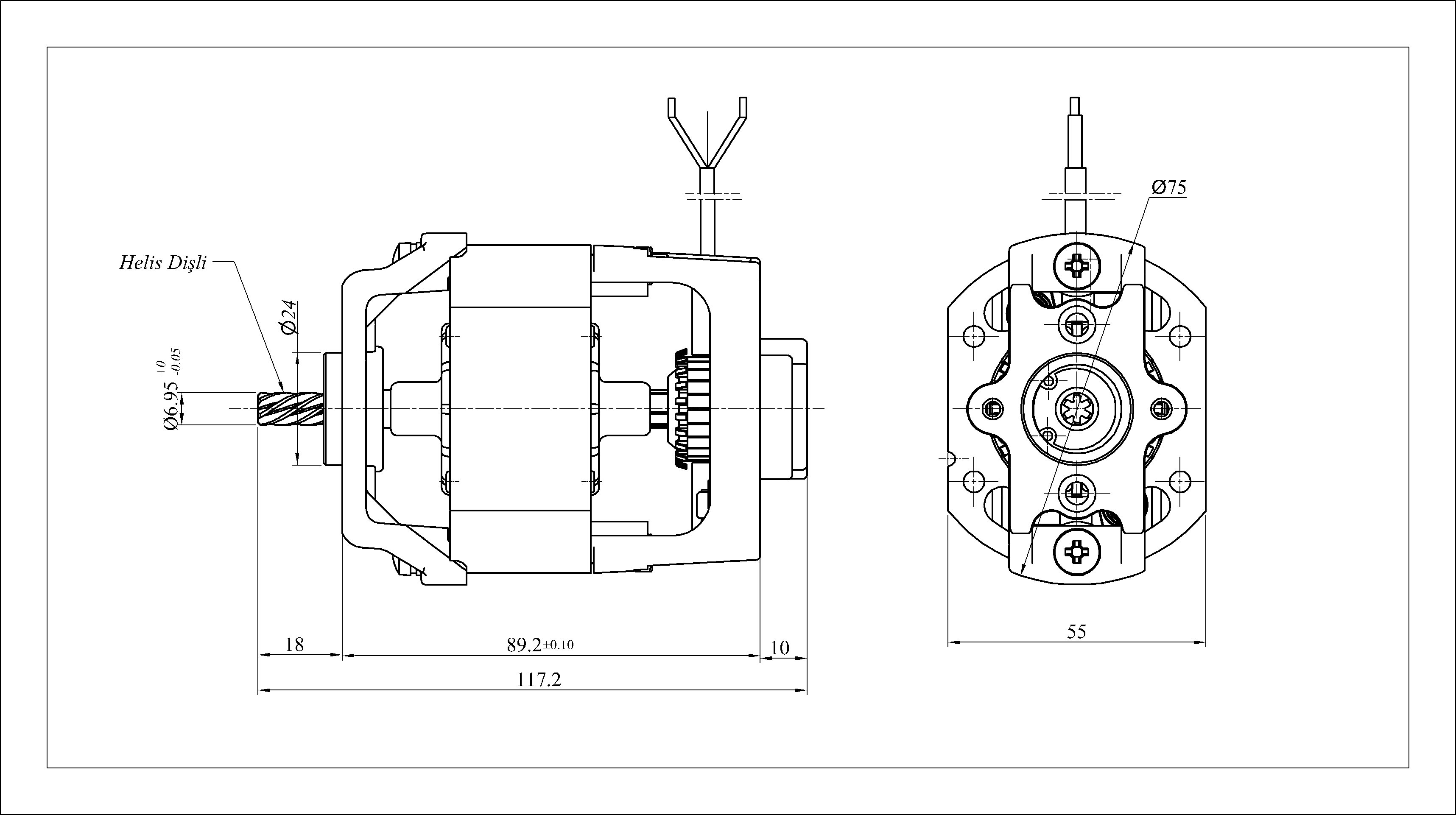
| Tip 5240 |
Farklı gerilim değerlerinde üretilebilen orta gerilim devre kesicileri motoru.
|
||||||||||||||||||||||||||||||||||||||
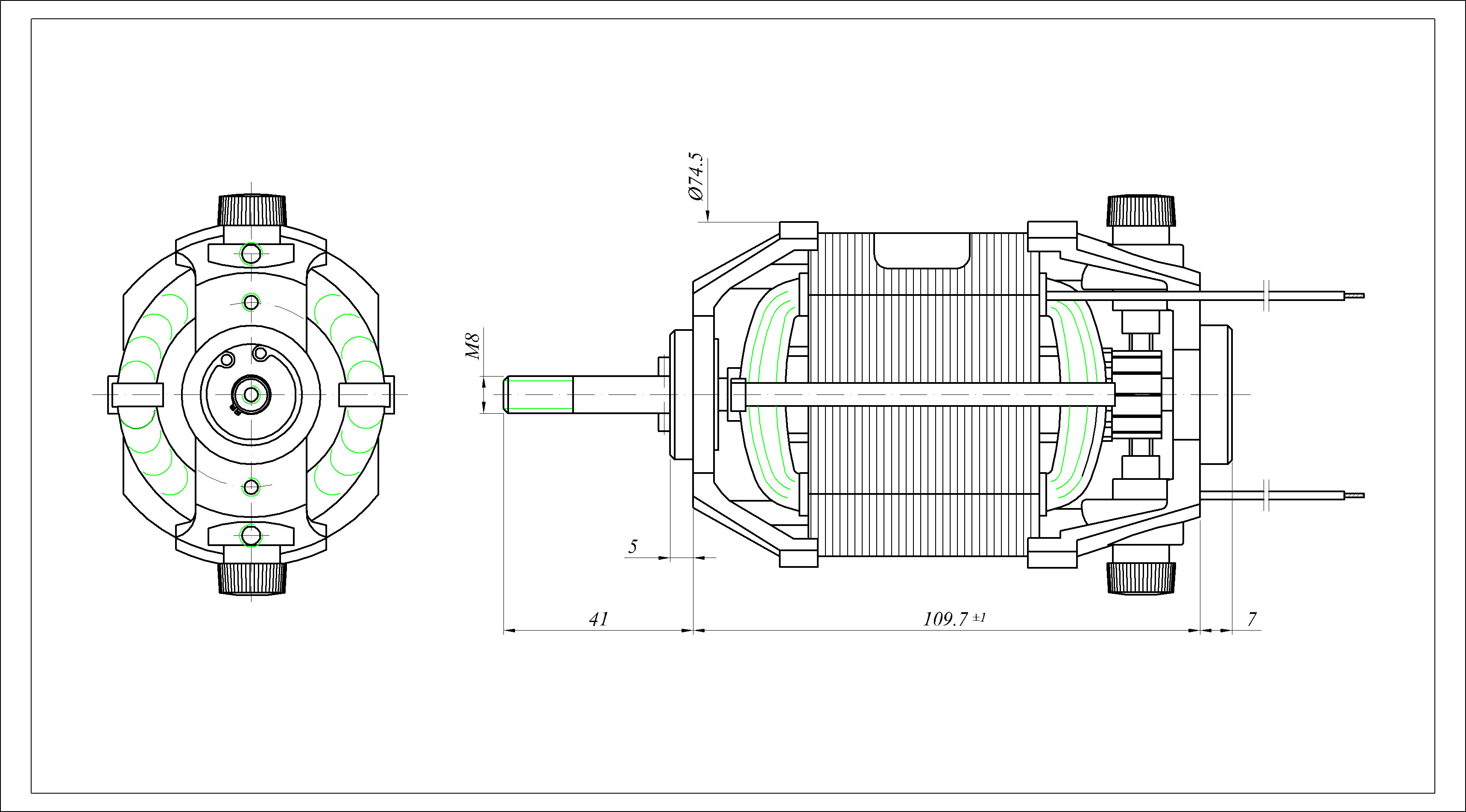
| Tip 7030 |
Orta gerilim devre kesicileri yay kurma motorudur.
|
|
|||||||||||||||||||||||||||||||||||||
| Tip 7040 |
Farklı gerilim değerlerinde üretilebilen orta gerilim devre kesicileri motoru.
|
|
|||||||||||||||||||||||||||||||||||||
| Tip 7050 |
Farklı gerilim değerlerinde üretilebilen orta gerilim devre kesicileri motoru.
|
|
|||||||||||||||||||||||||||||||||||||
| Tip 8045 |
Farklı gerilim değerlerinde üretilebilen orta gerilim devre kesicileri yay kurma motoru.
|
||||||||||||||||||||||||||||||||||||||
| Tip 9450-137 ve Tip 9450-147 |
Orta gerilim devre kesicileri yay kurma motorudur.
|
|
|||||||||||||||||||||||||||||||||||||
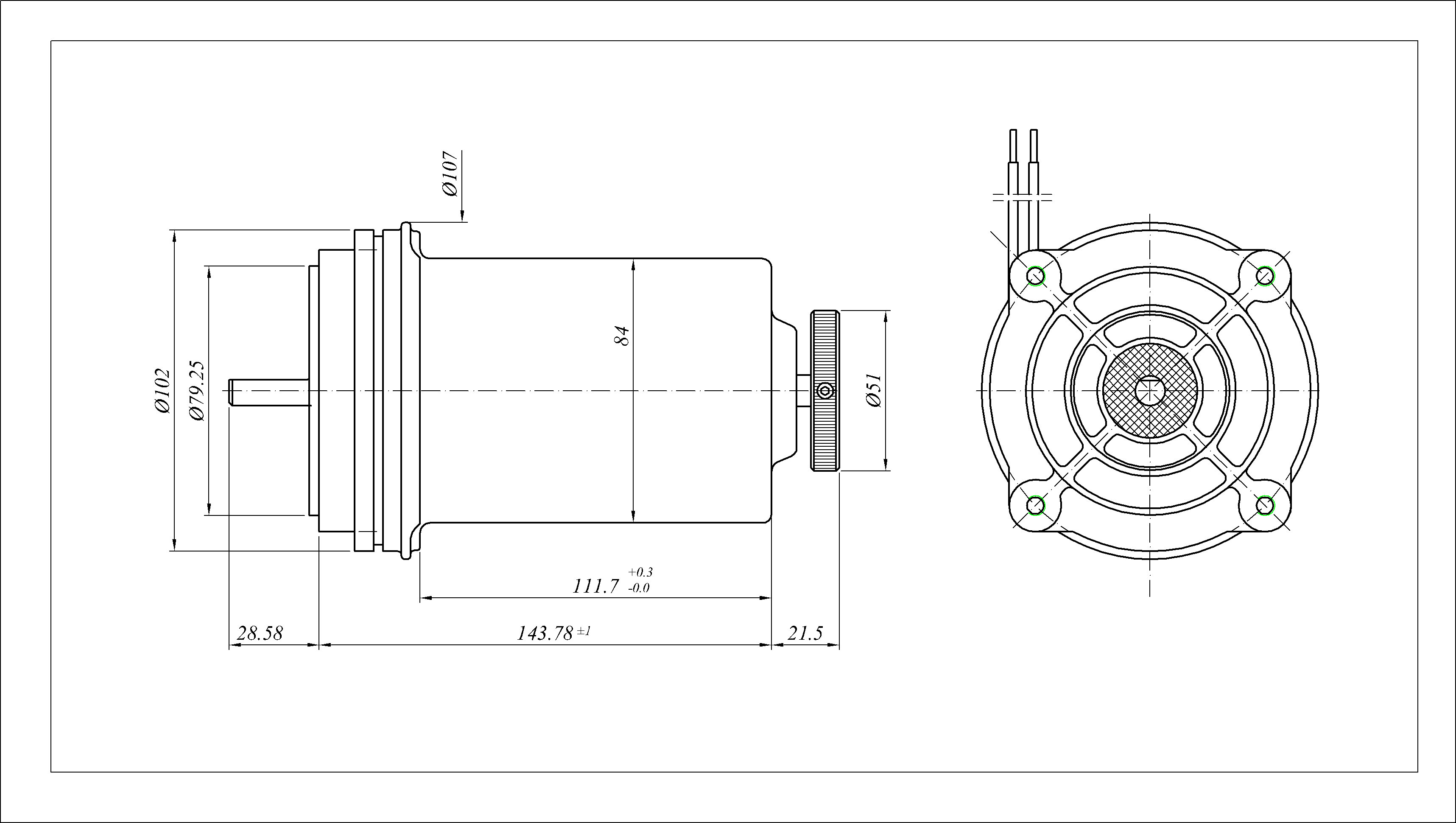
| Tip 12080 Compund Motor |
Farklı gerilim değerlerinde üretilebilen orta gerilim devre kesicileri motoru
|
|






