Circuit Breaker Mechanism Motors
| Image | Title | Description | Documents | ||||||||||||||||||||||||||||||||||||
|---|---|---|---|---|---|---|---|---|---|---|---|---|---|---|---|---|---|---|---|---|---|---|---|---|---|---|---|---|---|---|---|---|---|---|---|---|---|---|---|
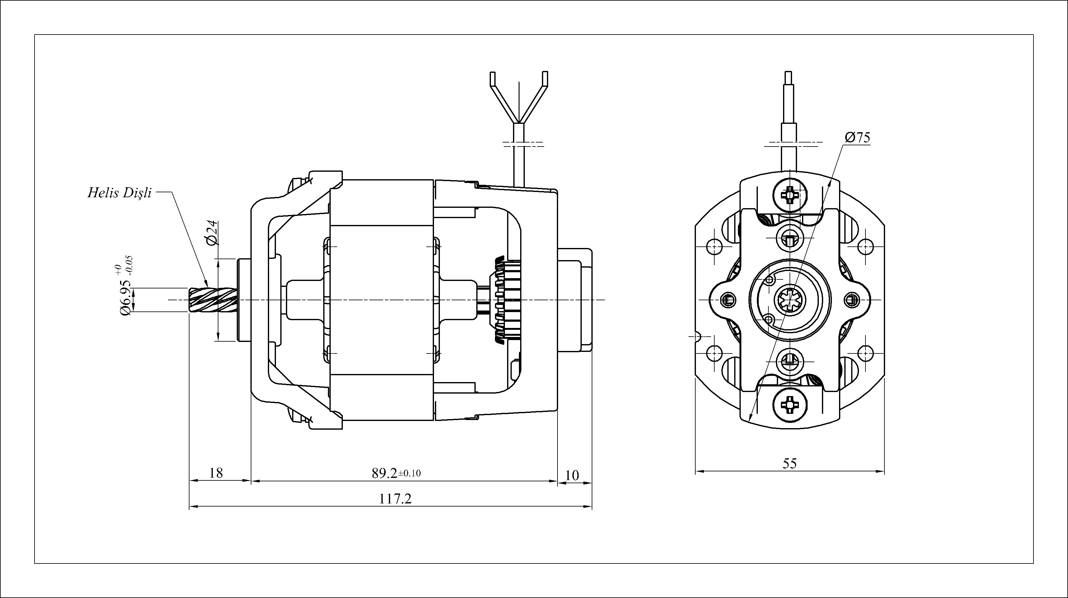
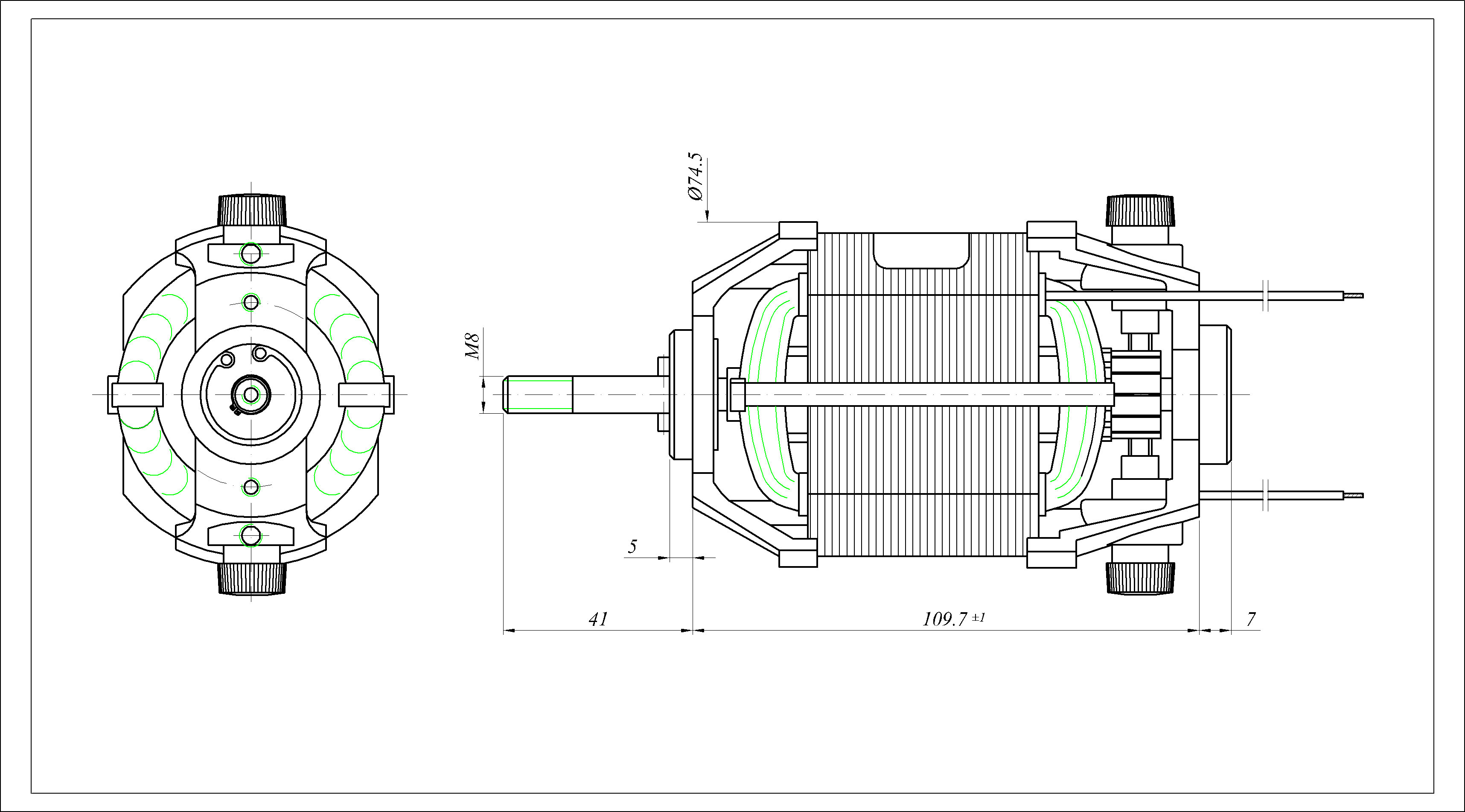
| Type 5240 |
Serial Motor used on medium voltage circuit breakers for retensioning of spring.Motor can be produced for various voltages
|
||||||||||||||||||||||||||||||||||||||
| Type 7030 |
Serial Motor used on medium voltage circuit breakers for retensioning of spring.Motor can be produced for various voltages
|
|
|||||||||||||||||||||||||||||||||||||
| Type 7040 |
Serial Motor used on medium voltage circuit breakers for retensioning of spring.Motor can be produced for various voltages.
|
|
|||||||||||||||||||||||||||||||||||||
| Type 7050 |
Serial Motor used on medium voltage circuit breakers for retensioning of spring.Motor can be produced for various voltages
|
|
|||||||||||||||||||||||||||||||||||||
| Type 8045 |
Serial Motor used on medium voltage circuit breakers for retensioning of spring.Motor can be produced for various voltages
|
||||||||||||||||||||||||||||||||||||||
| Type 9450-137 and Type 9450-147 |
Serial AC/DC motor used on medium voltage circuit breakers for retensioning of spring.Motor can be produced for various voltages.
|
|
|||||||||||||||||||||||||||||||||||||
| Type 12080 Compund Motor |
Compound motor used on medium voltage circuit breakers for retensioning of spring.Motor can be produced for various voltages.
|
|






